Варочная панель с вытяжкой BORA PURSU в Екатеринбурге
Характеристики
Особенности
Описание
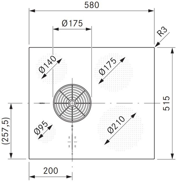
Варочная панель работает на индукционном нагреве — это значит, что повышается температура непосредственно посуды, в которой готовится блюдо. Таким образом промежуточная ступень с предварительным нагревом конфорки пропускается — сокращается время, повышается безопасность. Количество конфорок в этой модели: 4.
Особенности панели конфорок, на которые стоит обратить внимание: Induction.
Цвет — черный. Благодаря отсутствию рамки она отлично впишется в интерьер и не займет лишнее место на столешнице, которое можно использовать для работы. Материал самой поверхности: стеклокерамика SCHOTT CERAN. Управление этой моделью электронное. Для переключения уровней нагрева, выбора функций используются следующие переключатели: сенсорные/TouchControl, сенсорный слайдер/TouchSlider. Продвинутая система контроля за прибором делают его современным и отвечающим на главные запросы покупателя.
В вашем распоряжении разные степени нагрева — каждая из них может понадобиться в зависимости от рецепта, а также от цели: приготовления, разогрева уже готовых блюд и т.д. Регулировка 9-ступенчатая. Благодаря специальной опции Power можно не устанавливать максимальную температуру, так как потом придется вовремя ее менять вручную. В этом режиме мощность сама подскакивает до предельных значений, но на короткое время, а затем также автоматически возвращается к прежним настройкам.
Общие характеристики

По сравнению с другими типами нагревательных элементов индукционная варочная панель эффективно использует потребляемую энергию. Тепло генерируется не внутри конфорки, а непосредственно в днище посуды, в результате потери тепловой энергии минимальны. Если сравнивать индукционные зоны с Hi-Light, то первые оказываются на 20-30% экономичнее. Из всех варочных поверхностей индукционные характеризуются наивысшим КПД — 90-93% (у электрических варочных панелей с чугунными конфорками эта величина составляет 53-56%, а у газовых — 49-52%).

Независимая варочная панель с отдельным подключением к электросети или сети газоснабжения — удобная кухонная техника, главным преимуществом которой является возможность размещения в любом подходящем месте. Она может использоваться автономно: духовой шкаф при этом может отсутствовать вообще или размещаться где угодно, на любой высоте, а не в обязательном порядке под варочной панелью.
Независимая варочная поверхность имеет собственную панель управления, так что регулировать ее работу становится легче. Кроме того, исчезает необходимость приобретать варочную панель и духовку от одного производителя, что значительно расширяет выбор. Независимые панели могут иметь любой тип нагрева, любые размеры и любое количество конфорок — от одной до пяти или шести. Даже если варочная панель или духовка с независимым подключением выйдет из строя, на другие приборы это не повлияет: они по-прежнему сохранят работоспособность.
Недостатком устройств с подобным типом подключения считается обычно более высокая цена, а также нередкие затруднения с подбором техники в одном и том же цвете и стиле. Кроме того, для подключения двух приборов понадобятся две отдельные розетки.

Варочные панели встраиваются в столешницу: они могут располагаться как заподлицо, так и выступать над ее поверхностью. Особенности их расположения зависят от высоты (толщины) варочной панели, а та определяется, как правило, видом нагрева, материалом поверхности и типом подключения — зависимым или независимым.
В среднем у газовых моделей этот показатель больше, чем у электрических. Высота газовых варочных поверхностей составляет обычно от 4 до 10 см: важное значение при выборе модели имеет и толщина столешницы. Известно, что стандартная толщина столешницы из ДВП составляет около 38 мм: исходя из этого, высота газовых варочных панелей чаще всего составляет 4–5 см. Если варочная панель имеет большую высоту, ее обычно заглубляют в столешницу, стараясь при этом не повреждать внутреннюю сторону. Для этого под ней устанавливают дополнительную полку (фальшпанель), за счет которой уменьшается пространство в тумбе.
Электрические и индукционные варочные панели из стали, эмали и стеклокерамики имеют толщину от 4 до 5,5 cм, но выглядят более низкими, так как на них отсутствуют выступающие горелки. Как правило, подробные требования к толщине столешницы для установки приводятся в руководстве пользователя.

Ширина варочной панели — одна из важнейших ее характеристик, которая зависит главным образом от количества и порядка размещения конфорок. Тип нагрева на нее практически не влияет. Как правило, конфорки размещаются в два ряда, причем более мощные располагаются во втором ряду. Производители выпускают также модели с одним рядом конфорок — например, для установки на кухонном острове, — а также с расположением зон нагрева в форме ромба или трапеции.
Стандартная ширина устройства составляет около 59–60 см: таковы наиболее востребованные четырехконфорочные модели. Подобный размер облегчает встраивание варочной панели в стандартную кухонную столешницу.
Устройства с одной и двумя конфорками считаются компактными: их минимальная ширина составляет около 19 см, но чаще всего выпускаются модели шириной около 30 см. Ширина варочных поверхностей с тремя конфорками достигает обычно 45 см: более мощная конфорка в таких панелях располагается отдельно, а две менее мощные — друг за другом. Большие варочные панели в пятью или шестью конфорками имеют ширину от 85 до 90 см: у моделей с 5 конфорками самая мощная обычно находится в центре. Панели шириной более 90 см служат чаще всего для профессионального использования.

Глубина варочной панели представляет собой расстояние от ближайшей к пользователю ее точки до самой дальней. В первую очередь глубина определяется соответствующими размерами столешницы, куда варочная панель будет встроена, и уже во вторую — количеством и расположением конфорок.
Необходимо помнить, что варочную панель нельзя размещать вплотную к стене: расстояние между стеной и прибором для электрических панелей должно быть не менее 5 см, а для газовых устройств расстояние составляет не менее 7 см. Соблюдать это условие необходимо, чтобы воздух мог свободно циркулировать вокруг варочной панели и не произошло перегрева, а также потому, что мощные конфорки обычно размещаются во втором ряду.
Наиболее распространенное значение глубины варочной поверхности — от 52 до 60 см: такие габариты могут иметь панели с любым количеством конфорок — от двух до шести или семи. Варочные поверхности с одной конфоркой или те, где конфорки располагаются в один ряд, могут иметь гораздо меньшую глубину — от 38–40 см. Отдельно следует рассматривать варочные панели со встроенной вытяжкой, наличие которой также влияет на глубину варочной панели. Подробные рекомендации по выбору и размещению модели приводятся в инструкции пользователя.
Дизайн

Цвет варочной панели нередко становится одним из важных факторов, влияющих на выбор той или иной модели.
Разнообразие цветовых решений зависит от материала поверхности. Современные варочные панели изготавливаются из нержавеющей или эмалированной стали, стеклокерамики и закаленного стекла. Если стальные поверхности не предполагают большого разнообразия (речь может идти только о блестящей или матовой обработке), то остальные материалы могут окрашиваться в самые разные цвета — особенно это касается поверхностей, покрытых эмалью.
Стекло и стеклокерамика могут не только окрашиваться — на них наносятся различные рисунки и надписи, придающие технике неповторимый вид. Однако чаще всего эмалированные поверхности выпускаются в белом цвете, а стеклянные и стеклокерамические — в черном. Подобный выбор обусловлен меньшей трудоемкостью при изготовлении, а также универсальным характером этих оттенков, позволяющим успешно сочетать их с кухонной мебелью и другой техникой любого стиля.
Считается, что белый цвет наиболее маркий, но брызги, разводы, крошки и прочие загрязнения гораздо заметнее на черной поверхности. Самыми практичными следует признать поверхности серого и бежевого оттенков, которые, кроме того, лучше всего гармонируют с мебелью из натурального дерева.
Реже выпускаются панели других оттенков — коричневого, красного, оранжевого, зеленого, цвета меди, фиолетового, бордо — их достаточно трудно сочетать с кухонными гарнитурами и бытовыми приборами. Газовые варочные панели необычных оттенков нередко оснащаются и оригинальной медной, бронзовой или латунной фурнитурой в стиле ретро. Любители цветных варочных панелей могут обратить внимание на продукцию Smeg, Kuppersberg, Kaiser, Ilve, Franke и ряда других производителей.

Обработка края варочной панели — фактор, на который следует обратить внимание при выборе модели сразу по нескольким причинам. Наиболее распространенные виды обработки края панелей, особенно стеклокерамических и стеклянных — рамка из металла (стали, алюминия, реже меди), металлический профиль по всему периметру или частичный — по переднему краю или по бокам, скошенный передний или боковой край без рамки.
Чаще всего приходится делать выбор между моделями с рамкой и без нее. Прежде всего наличие рамки влияет на внешний вид изделия. Так, рамка из меди применяется обычно в моделях классического и ретро-стиля, а стальная может сочетаться с современным интерьером. Кроме того, рамка служит для защиты от жидкости, вытекшей по время готовки: благодаря ей влага не попадает на кухонную мебель. В ряде случаев рамка не позволяет посуде соскользнуть с поверхности. И, наконец, рамка защищает края панели от случайных повреждений и сколов, продлевая срок службы. Однако считается, что модели с рамкой менее удобны в уходе, так как под ее край может забиваться грязь, которую трудно удалить. У индукционных панелей рамка занимает часть площади, которую можно использовать для размещения посуды.
Хорошей альтернативой рамке является металлический профиль, который обычно устанавливается только спереди или сбоку. Он также не позволяет жидкости стекать на столешницу, но не «съедает» полезную площадь. Что касается варочных панелей без рамки, неизменной популярностью пользуются модели со скошенным краем. Такая обработка называется фацетной — внешняя сторона панели имеет огранку под углом 45 градусов. Такая панель очень легко чистится и эффектно выглядит, а современные методы огранки защищают края от сколов.
Варочные панели с прямым краем привлекают покупателей благодаря более низкой стоимости и также широко представлены у производителей.
Управление

Тип управления варочной панелью — один из основных параметров, по которому покупатель выбирает ту или иную модель. В настоящее время выпускаются варочные панели с механическим, электронным и сенсорным управлением (последнее можно считать разновидностью электронного). Выбор типа управления зависит прежде всего от предпочтений пользователя.
Оно может быть связано с видом нагрева — так, газовые панели чаще имеют механическое управление, а индукционные — сенсорное. Механическое управление применяется как для недорогих устройств, так и для элитных моделей в винтажном стиле. Как наиболее простое, оно считается и самым надежным. Регулировка параметров нагрева и включение прибора производятся при помощи поворота переключателя. Даже если рукоятка переключателя приходит в негодность, ее очень легко заменить. Минус подобного типа управления — наличие выступающих деталей: очистить их достаточно сложно.
Электронное управление предполагает, что варочная поверхность становится совершенно гладкой и не имеет выступов. Установка параметров работы производится при помощи сенсоров, к которым иногда могут добавляться кнопки экстренного отключения. Такую панель для очистки достаточно протереть влажной салфеткой. На поверхность из стекла и стеклокерамики наносятся обозначения: для регулировки степени нагрева, задания дополнительных опций достаточно прикосновения.
Различаются сенсоры-кнопки и слайдеры: в первых для регулировки интенсивности нагрева нужны несколько нажатий подряд, по вторых нужно провести пальцем вдоль специальной шкалы. Рядом с сенсорами располагаются индикаторы, которые оповещают о текущих параметрах работы устройства. Недостаток сенсорного управления — чувствительность к перепадам напряжение и достаточно сложный ремонт.

Дисплей в варочных панелях с электронным управлением служит для более наглядного отображения текущего состояния прибора, а также для удобного задания параметров работы. Для вытяжек, встраиваемых в варочную поверхность, панель управления может быть как отдельной, так и объединенной. Во втором случае управление работой вытяжки осуществляется с варочной поверхности.
В любом случае, для отображения информации могут использоваться дисплеи различных типов. В самом простом случае это цифровые дисплеи, на которых высвечивается выбранная мощность. Ряд производителей оснащает свои модели более информативными цифровыми дисплеями: так, дисплей Display Control в моделях от Franke сообщает об активации того или иного режима, остаточного хода или режима поддержания свежести воздуха встроенной вытяжки, необходимости замены жироулавливающего и угольного фильтров.
В моделях более высокого уровня могут устанавливаться сенсорные дисплеи, которые служат и для отображения, и для управления одновременно. Они могут быть черно-белыми или полноцветными, с регулировкой яркости, с символьными и графическими изображениями. Активация той или иной функции происходит при прикосновении к одному из значков.

Элементы управления варочной панелью позволяют включать и выключать прибор, регулировать интенсивность нагрева, активировать дополнительные функции — временно увеличивать мощность, подключать контуры расширения конфорок, объединять зоны нагрева, задействовать защиту от детей, экстренно выключать все конфорки сразу и многое другое.
Традиционно все элементы управления находятся в передней части варочной панели. Фронтальное расположение обусловлено самым удобным доступом к ним: все обозначения и подписи в таком случае хорошо различимы. Особенно это касается варочных панелей с электронным сенсорным управлением, которые не имеют выступающих частей. Даже если необходимо дотянуться до посуды на заднем ряду конфорок, сенсорные элементы управления не будут задеты, а следовательно, параметры приготовления пищи случайно не изменятся.
В моделях с механическим управлением для регулировки интенсивности нагрева используются выступающие над поверхностью поворотные переключатели. Как правило, механические варочные панели имеют газовый тип нагрева, в них используется меньшее количество дополнительных опций. В них элементы управления могут располагаться сбоку — как правило, с правой стороны.

Варочные поверхности с таким управлением проще в обслуживании, чем оборудованные поворотными переключателями, поскольку абсолютно гладкую поверхность легче мыть. Кроме того, они занимают меньше места на варочной поверхности, что позволяет использовать большую часть площади под рабочее пространство
Сенсорный слайдер / TouchSlider

Сенсорные переключатели в виде слайдера. В некоторых моделях общий регулятор для всех конфорок, но чаще для каждой зоны нагрева свой слайдер.
Вместо того, чтобы нажимать на отдельные кнопки, вы проводите пальцем влево или вправо, тем самым увеличивая или уменьшая мощность.
Есть модели, в которых панель управления объединяет кнопки и слайдер.
Конфорки

В настоящее время для изготовления варочных поверхностей применяют материалы несколько видов — это эмалированная сталь, нержавеющая сталь, стеклокерамика и закаленное стекло.
Эмалированная поверхность — самый недорогой вариант, к тому же эмаль легче окрасить в разные цвета, кроме универсальных белого, черного и коричневого. Она хорошо переносит температурные воздействия, устойчива к химическим веществам, однако на ней легко появляются сколы и царапины. Эмаль хорошо чистится и достаточно долго сохраняет первоначальный вид. Чаще всего такое покрытие используется в газовых плитах и обычных электрических.
Нержавеющая сталь — материал надежный, долговечный, легко переносящий механическую, термическую и химическую нагрузку. Стальные поверхности стильно выглядят и сочетаются с любыми стилями интерьера, но нержавейка несколько дороже эмали. В уходе этот материал достаточно удобен, хотя на нем легко остаются отпечатки пальцев и другие следы, которые нужно своевременно удалять. Из нержавеющей стали изготавливают газовые варочные панели и реже электрические.
Стеклокерамика представляет собой модифицированное стекло, подвергнутое термической обработке при высокой температуре, — при этом меняется ее кристаллическая структура, придавая материалу особую прочность и долговечность. Поверхности из стеклокерамики смотрятся очень выгодно — как правило, они выпускаются в черном цвете, иногда белом. Цветная стеклокерамика встречается достаточно редко. Гладкая блестящая поверхность легко чистится.
Несмотря на достаточно высокую стоимость, стеклокерамика используется для всех видов варочных панелей — газовых, электрических, индукционных. Особенно долговечными и безопасными считаются немецкая стеклокерамика Schott Ceran, не содержащая добавления тяжелых металлов, и французская стеклокерамика EuroKera с дополнительным слоем, придающим особую прочность и устойчивость цвета.
Закаленное стекло отличается от стеклокерамики более низкими допустимыми температурами — они составляют около 300°С, тогда как для стеклокерамики допустимы температуры до 750°С. Закаленное стекло используется для газовых варочных панелей. Самым надежным, прочным, не подверженным механическим повреждениям считается зеркальное закаленное стекло OptiGlass — из него изготавливаются индукционные варочные поверхности.

Общее количество конфорок — фактор, напрямую влияющий на выбор варочной панели. Наиболее распространены четырехконфорочные поверхности, размер которых соответствует стандартному размеру столешницы и наиболее удобен для встраивания. Как правило, одна из конфорок в этом случае имеет увеличенную мощность, две конфорки — стандартную, а четвертая — малую мощность. Эта конфорка используется достаточно редко, так что зачастую даже для постоянной готовки может быть достаточно поверхности с тремя или даже двумя конфорками.
Двухконфорочные панели шириной около 30 см часто можно комбинировать с другими в дизайне «Домино». Такие панели нередко выбирают покупатели, которые пользуются для приготовления пищи другой техникой — мультиварками, духовками, СВЧ-печами. Конфорки при этом могут располагаться как в два ряда, так и в один, а форма панели может быть как привычной прямоугольной, так и овальной или в виде капли.
Большинство производителей предлагает также варочные панели с пятью, шестью и реже семью конфорками для семей с детьми, где необходимо много готовить. Увеличенное количество конфорок предполагает и большие возможности для приготовления разнообразных блюд.
Функции

Функция интенсивного нагрева. Мощность зоны нагрева значительно увеличивается на определенный промежуток времени, обеспечивая максимальную скорость нагрева.

Автоматическое регулирование вытяжки — полезная функция, которая позволяет организовать согласованную работу двух устройств без участия человека и эффективно поддерживать чистоту воздуха в кухне.
Вытяжка с автоматической регулировкой будет включаться самостоятельно, как только начнет работу хотя бы одна зона нагрева варочной панели, и температура воздуха над ней повысится до определенного значения. Вытяжка также автоматически отключится, когда блюдо будет приготовлено, конфорки выключены, а температура воздуха снизится до установленного уровня. Благодаря автоматическому регулированию вытяжки можно не опасаться, что устройство не будет выключено вовремя, что позволяет также сэкономить электроэнергию.
Воздух в помещении будет своевременно очищаться от капель жира, продуктов горения, неприятных запахов. Интенсивность работы вытяжки в этом случае также регулируется автоматически, в зависимости от количества включенных конфорок и уровня нагрева: пользователю не нужно настраивать вытяжку вручную, что ведет к экономии времени. Подобной опцией оснащаются многие приборы премиум-класса: так, у фирмы Miele для этого служит функция Con@ctivity.
Мощность варочных зон
Диаметр варочных зон
Встроенная вытяжка

Вытяжка, встроенная в варочную панель — достаточно удобный вариант, позволяющий сэкономить место в кухне. Такая конструкция позволяет лучше улавливать испарения, не давая им распространяться по всему помещению, и способствует более качественной очистке воздуха. Большинство подобных моделей может работать только в режиме рециркуляции воздуха, с удалением капель жира, сажи, неприятных запахов при помощи системы фильтров. Работу в режиме отвода загрязненного воздуха через систему вентиляции организовать довольно сложно, поскольку вытяжка располагается низко над полом. Часто варочная панель находится на кухонном острове, что также мешает присоединению к вентиляции. Еще одна особенность подобных моделей состоит в том, что под варочной панелью нельзя разместить духовку или другую технику, так как место будет занято.
Встроенные в варочную поверхность вытяжки могут быть двух типов: выдвижные и нет. Очень часто они работают совместно с варочной панелью, причем скорость всасывания также регулируется автоматически в зависимости от количества включенных зон нагрева и их мощности. Следует заметить, что большинство таких моделей относится к премиум-сегменту и стоит достаточно дорого.

Современные кухонные вытяжки могут работать в двух режимах — отвода и рециркуляции (или переключаться с одного на другой). Режим отвода предусматривает удаление загрязненного воздуха через систему вентиляции. Воздух выводится за пределы помещения — на улицу, в подвал, на чердак и т.п. Для присоединения к системе вентиляции потребуется проложить воздуховод, на что придется затратить дополнительные усилия. Вытяжки такого типа могут оборудоваться вентилятором, с помощью которого и удаляется грязный воздух, или реже действовать за счет естественной тяги. Работа такого прибора будет достаточно шумной, но качество очистки, в том числе от неприятного запаха, остается высоким.
Вытяжки, работающие в режиме рециркуляции, не нуждаются в подключении к вентиляции: все загрязнения удаляются при прохождении воздуха через систему фильтрации, после чего воздух возвращается в помещение. Кроме жироулавливающего, эти модели оборудуются фильтром из активированного угля, защищающим от неприятного запаха. Недостаток их — сменные фильтры: если жировые можно промыть проточной водой, то угольные обычно требуют замены. Плюсы этих вытяжек — простая установка, более разнообразный дизайн и низкий уровень шума.

Интенсивный режим в вытяжках, встроенных в варочную панель, работает так же, как и в обычных настенных или купольных. Он используется при очень сильных загрязнениях воздуха — например, если на кухне что-то сгорело, и нужно вывести дым, пар, частички сгоревшего жира, сажи и другие вредные вещества как можно скорее. Применяется он и при готовке на гриле, жарке во фритюре, приготовлении нескольких блюд на всех зонах нагрева одновременно. Двигатель при этом работает на максимальной мощности, скорость вращения вентилятора также достигает наибольших значений. Чтобы избежать перегрева, перегрузки и выхода оборудования из строя время работы в интенсивном режиме ограничивается. После автоматического отключения через несколько минут (как правило, 10-15) прибор начинает работать либо в режиме, который использовался ранее, либо просто переключается на третью ступень. Для активации режима может использоваться отдельная кнопка.
Этим режимом оснащаются модели, работающие как в режиме рециркуляции, так и в режиме отвода. При слишком частом его использовании в режиме рециркуляции потребуется чаще менять фильтры: промывать жироулавливающие и менять угольные.

Автоматический режим — характерная особенность вытяжек, встроенных в варочную панель. В этом случае два прибора работают совместно, будучи связаны беспроводным соединением. Выстраиваемая вытяжка оснащается системой датчиков, которые собирают информацию о чистоте или загрязненности воздуха, наличии в нем водяных паров и продуктов горения, изменениях его влажности и температуры. В некоторых случаях в систему управления вытяжкой поступают данные о количестве и мощности работающих конфорок варочной панели. В соответствии со всей этой информацией вытяжка самостоятельно включается, причем выбирается именно та скорость всасывания, которая необходима в данные момент. Продолжительность работы в этом режиме также зависит от характеристик воздуха: отключение происходит, когда будут удалены вредные примеси. Режим может отключаться не сразу, а с задержкой на несколько минут, чтобы вывести все возможные загрязнения.
Ряд моделей оснащается автоматическим интервальным режимом для поддержания чистоты воздуха круглые сутки. В этом случае прибор включается на 10-15 минут каждый час, так что атмосфера в кухне всегда останется здоровой, а пребывание — комфортным.
Дополнительные характеристики
Фильтрующая панель с фильтром тонкой очистки
Максимальный срок службы фильтра: 150 ч (1 год)
Съемные элементы вытяжки можно мыть в посудомоечной машине
Технические характеристики
Инструкции
Последние отзывы о модели BORA PURSU

Особенно мне нравится фронтальное управление. Это удобно и практично, все кнопки и переключатели под рукой. А сенсорные кнопки и слайдер делают процесс управления ещё более комфортным. Очень порадовала функция автоматического регулирования вытяжки. Это очень полезно, когда готовишь что-то сильно пахнущее, например, рыбу. Вытяжка сама подстраивается под интенсивность запахов и удаляет их.
Я уже успела приготовить на ней несколько ужинов для своей семьи. Все получается великолепно! Мясо получается сочным, овощи - ароматными. А сколько времени я сэкономила! Также мне нравится, что все элементы вытяжки можно мыть в посудомоечной машине. Это очень удобно и экономит массу времени.
В общем, я безумно рада этой покупке. Эта плита - настоящий подарок для любой хозяйки. Она не только упрощает процесс приготовления пищи, но и делает его приятным и увлекательным. Советую всем!

Данный товар будет доставлен со склада поставщика до терминала транспортной компании. Вы можете забрать его оттуда самостоятельно, либо дополнительно оплатить перемещение по адресу проживания — оно осуществляется сотрудниками ТК.
Сейчас модель в наличии — вы можете оформить доставку на ближайший доступный день после подтверждения заказа (с учетом времени, которое понадобится на транспортировку с центрального склада в ваш город).
Точную стоимость сообщит менеджер при подтверждении заказа — она зависит от габаритов и веса товара, а также специальных условий бренда (если они есть).
Лейбл бесплатной доставки на этом товаре означает, что при общей стоимости заказа от 150 000 млн рублей мы отправляем его в терминал транспортной компании вашего города за свой счет.
Согласовывая с менеджером дату доставки, рассчитывайте свое время, чтобы получилось принять заказ без задержек. В случае переноса по инициативе транспортной компании с вами свяжутся заранее, чтобы подобрать другой удобный вариант. Если вы хотите изменить дату сами, позвоните нам. Обратите внимание: при доставке до квартиры работники ТК не заносят технику в помещение и не подготавливают ее к установке. Внимательно осматривайте товар при получении — если заметите повреждения, можете отказаться от товара до подписания документов; после подписания ТК не несет ответственность за неполадки.
Для подключения техники необходимо вызвать мастера, так как эта услуга предоставляется отдельно от доставки. Осуществляется компаниями-партнерами, с которыми наш магазин сотрудничает в Екатеринбурге. Ориентировочную стоимость для основных категорий техники вы можете узнать в специальном разделе. Точную цену (в зависимости от компании) вам сообщит менеджер.
Подъем техники к двери квартиры оплачивается дополнительно и зависит от наличия работающего лифта, от веса и габаритов товара. Если в доме нет лифта, то подъем на каждый этаж оплачивается отдельно. Точную цену можно узнать у вашего менеджера.
Установка и подключение этого товара на готовые коммуникации проводится нашими специалистами бесплатно (при общей стоимости заказа от 500 000 рублей). Обратите внимание, что демонтаж старой техники — это отдельная услуга.
Вы можете выбрать один из вариантов оплаты в корзине при заполнении своих данных. Магазин предлагает:
- онлайн-оплату через электронную систему платежей;
- безналичный расчет.
При оформлении заказа по телефону (или при его подтверждении после отправки формы на сайте) менеджер подробно расскажет вам, как оформить предоплату.
На данный товар распространяется официальная гарантия производителя. Обслуживание в течение всего гарантийного срока осуществляется авторизованными сервисными центрами производителя в соответствии с требованиями, указанными в Законе РФ «О защите прав потребителей».
Обратите внимание: гарантийный срок и установленный производителем срок службы — это разные понятия. Изготовитель принимает на себя ответственность по устранению неисправностей, если не указано обратного.
ВАЖНО!
При получении обязательно осмотрите прибор: нет ли на нем механических повреждений, соответствует ли комплектация заявленной.